Официальное опубликование правовых актов
ОФИЦИАЛЬНОЕ ОПУБЛИКОВАНИЕ
Приказ Федеральной антимонопольной службы от 17.12.2020 № 1227/20
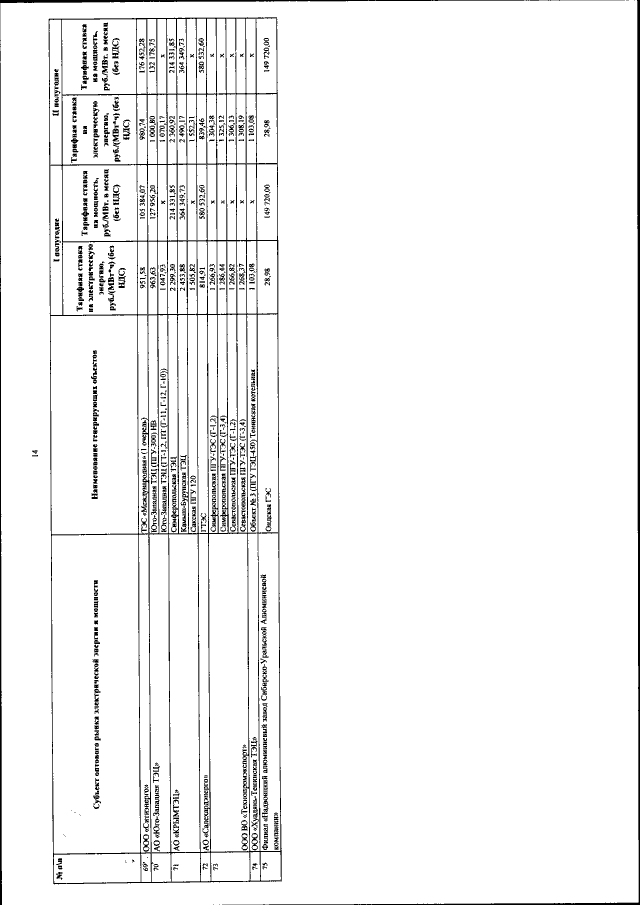
"Об утверждении цен (тарифов) на электрическую энергию (мощность), поставляемую в ценовых зонах оптового рынка субъектами оптового рынка-производителями электрической энергии (мощности) по договорам, заключенным в соответствии с законодательством Российской Федерации с гарантирующими поставщиками (энергоснабжающими организациями, энергосбытовыми организациями, к числу покупателей электрической энергии (мощности) которых относятся население и (или) приравненные к нему категории потребителей), в целях обеспечения потребления электрической энергии населением и (или) приравненными к нему категориями потребителей, а также с определенными Правительством Российской Федерации субъектами оптового рынка-покупателями электрической энергии (мощности), функционирующими в отдельных частях ценовых зон оптового рынка, для которых Правительством Российской Федерации установлены особенности функционирования оптового и розничных рынков, на 2021 под"
(Зарегистрирован 31.12.2020 № 62002)
Номер опубликования: 0001202012310080
Дата опубликования: 31.12.2020
Страница №14 из 18:
Увеличить