Официальное опубликование правовых актов
ОФИЦИАЛЬНОЕ ОПУБЛИКОВАНИЕ
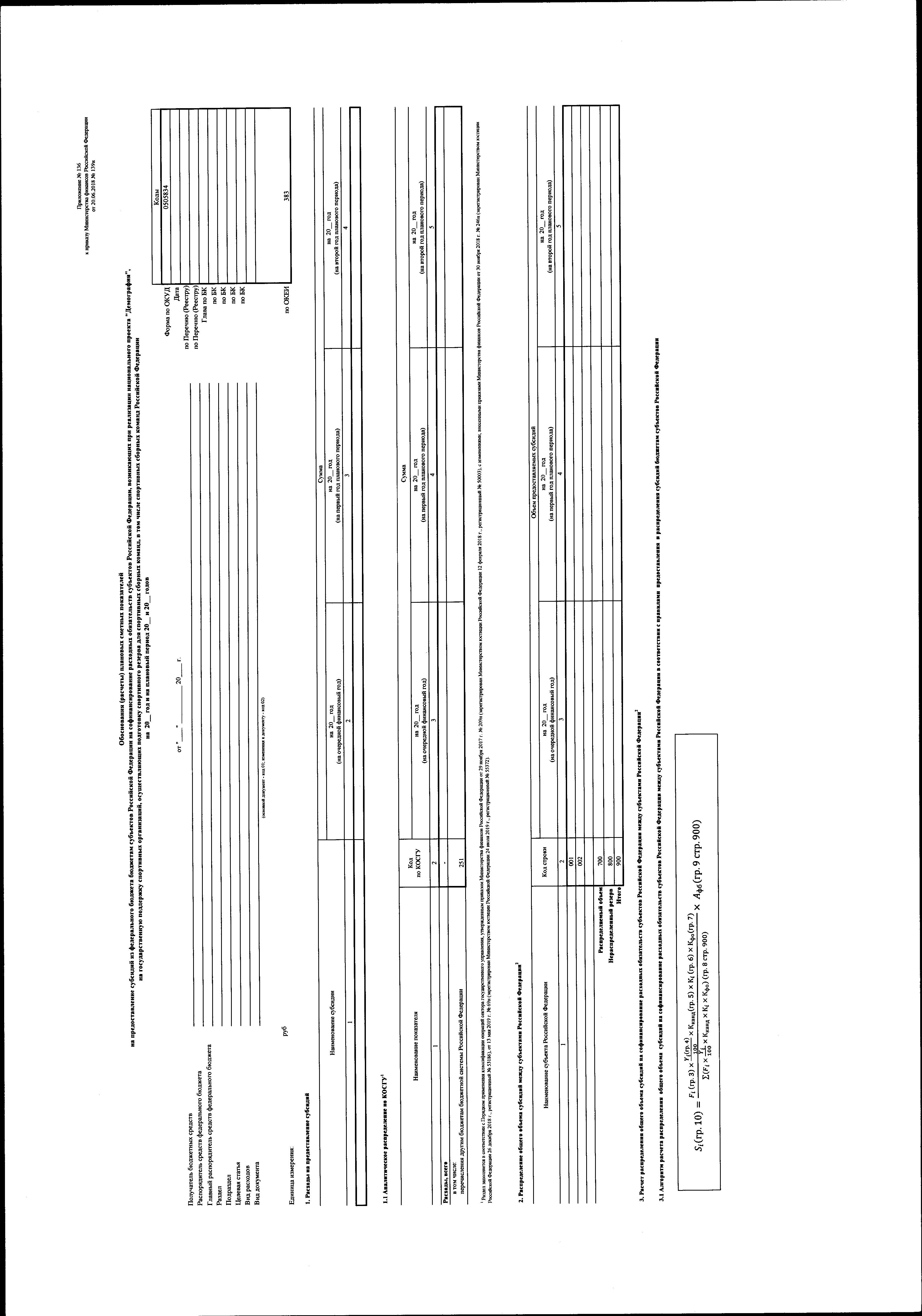
Приказ Министерства финансов Российской Федерации от 29.06.2020 № 125н
"О внесении изменений в приказ Министерства финансов Российской Федерации от 20 июня 2018 г. № 139н "Об утверждении форм обоснований (расчетов) плановых сметных показателей, применяемых при составлении и ведении бюджетных смет федеральных казенных учреждений"
(Зарегистрирован 22.09.2020 № 59983)
Номер опубликования: 0001202009230025
Дата опубликования: 23.09.2020
Страница №116 из 133: