Официальное опубликование правовых актов
ОФИЦИАЛЬНОЕ ОПУБЛИКОВАНИЕ
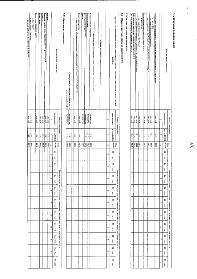
Приказ Министерства Российской Федерации по развитию Дальнего Востока от 14.12.2015 № 265
"Об утверждении формы соглашения о предоставлении субсидий из федерального бюджета управляющей компании, осуществляющей функции по управлению территориями опережающего социально-экономического развития в субъектах Российской Федерации, входящих в состав Дальневосточного федерального округа, на финансовое обеспечение затрат на технологическое присоединение энергопринимающих устройств к электрическим сетям и газоиспользующего оборудования к газораспределительным сетям в рамках реализации государственной программы Российской Федерации "Социально-экономическое развитие Дальнего Востока и Байкальского региона"
(Зарегистрирован 22.12.2015 № 40194)
Номер опубликования: 0001201512240019
Дата опубликования: 24.12.2015
Страница №48 из 59:
Увеличить