Официальное опубликование правовых актов
ОФИЦИАЛЬНОЕ ОПУБЛИКОВАНИЕ
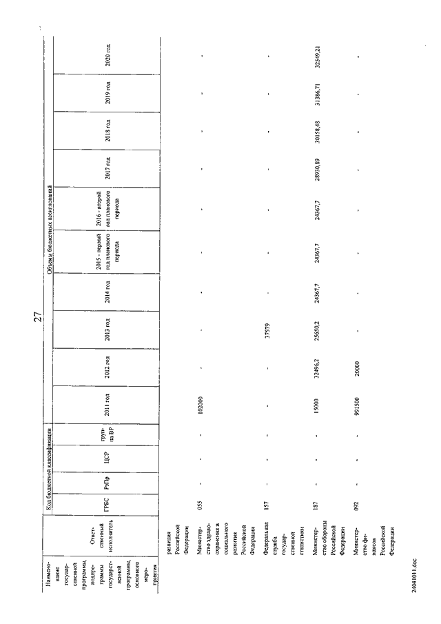
Постановление Правительства Российской Федерации от 15.04.2014 № 313
"Об утверждении государственной программы Российской Федерации "Информационное общество (2011 - 2020 годы)"
Номер опубликования: 0001201404240017
Дата опубликования: 24.04.2014
Страница №159 из 169:
Увеличить